
Built to Last
Muir systems are crafted with precision and engineered for unmatched durability, designed to stand the test of time in even the harshest conditions. Plus, with our extensive global network of distributors, spare parts and expert assistance are always within reach.
High-Quality Drivetrain
Experience the precision of a large diameter worm wheel, oil bath worm drive, and a fully serviceable drive motor. Built for performance and longevity.
Quick Installation
Save time with our market-leading quick-fit adaptor and flanges. Get your system up and running faster than ever.
MUIR GYPSY CHECKER: Click above to check gypsy compatibility
Windlass Sizing:
To properly size a boat windlass, you’ll need to consider several key factors to ensure it can safely and reliably handle your ground tackle and the forces of anchoring. Here’s a breakdown of the process:
Total weight of Ground Tackle x 4 = Maximum Pulling Power required by a windlass.
You can use: The weight of Ground Tackle x 3 = Maximum Pulling Power if the boat is used for weekend sailing not live aboard cruising.
| Windlass Model | Watt | Max Pull (lbs) | Boat Size (ft) | Chain Size Options (mm) | Chain Size Options (in) |
|---|---|---|---|---|---|
| Vertical Optoions | |||||
| VR600 | 550 | 812 | 20-30 | 6-7 | 1/4 |
| VR/C 850 | 800 | 992 | 30-35 | 6-10 | 1/4-3/8 |
| VR/C 1250 | 1200 | 1369 | 35-40 | 6-10 | 1/4-3/8 |
| VR/C 2200 | 1500 | 2427 | 40-45 | 6-10 | 1/4-3/8 |
| VR/C 2500 | 1500 | 2645 | 45-50 | 8-13 | 5/16-1/2 |
| VR/C 3500 | 1700 | 3637 | 50-60 | 8-13 | 5/16-1/2 |
| Horizontal Options | |||||
| HR/C 950 (Ocelot) | 750 | 1020 | 30-35 | 6-10 | 1/4-3/8 |
| HR/C 1600 (Cougar) | 1000 | 1369 | 35-45 | 6-10 | 1/4-3/8 |
| HR/C 2500 (Cheetah) | 1500 | 2645 | 45-55 | 10-13 | 3/8-1/2 |
| HR/C 3500 (Jaguar) | 1700 | 3637 | 55-65 | 10-13 | 3/8-12 |
1. Determine the Total Weight of Your Ground Tackle:
- Anchor Weight: This is straightforward – the weight of your primary anchor.
- Rode Weight: This includes the weight of your anchor chain and any rope you use. (Assume you have at least 300 feet of chain, when sizing for cruising)
- Chain: Calculate the weight of your chain based on its length and size (diameter).
| 1/4″ Chain | 0.75 lb/foot | |
| 5/16” Chain | 1.25 lb/foot | |
| 3/8” Chain | 1.5 lb/foot | |
| 1/2 “Chain | 2.5 lb/foot |
2. Calculate the Minimum Pulling Power Required:
- A common rule of thumb is that the windlass’s maximum pulling power should be at least 4 times the total weight of your ground tackle.
- For example, if your anchor weighs 50 lbs and your rode weighs 150 lbs (total 200 lbs), you’d look for a windlass with a maximum pull of at least 800 lbs.
- Another rule of thumb is that the total ground tackle weight plus 10% should not exceed the windlass’s specified working load limit.
Working Load x 3 = Max Load
- 3. Consider Your Boat’s Characteristics:
- Boat Length and Displacement: Manufacturers often provide boat length guidelines for their windlass models based on average displacement. If your boat is heavier for its length, consider a larger windlass.
- Windage: Boats with high cabins, catamarans, large dodgers, or other features that catch the wind will experience greater loads on the anchor system, especially in windy conditions. Upsizing the windlass might be prudent.
- Anchoring Environment: If you frequently anchor in areas with strong currents, high winds, or challenging bottom conditions, a more powerful windlass will provide an extra margin of safety and ease retrieval.
4. Evaluate the Anchor Locker and Deck Layout:
- Fall (Vertical Drop): The vertical distance between the underside of the deck at the chain pipe and the top of the stowed rode in the anchor locker is crucial for proper chain feeding.
- Vertical Windlasses: Generally, require more fall. At least 18 inches or more is recommended (From deck level to top of the chain when all collected). To ensure gravity pulls the chain rode smoothly into the locker after it leaves the gypsy.
- Horizontal Windlasses: Can work with shallower lockers (around 12 inches minimum fall) from the deck to the top of the chain when all chain is collected in the locker.

- Chain Locker Size and Shape: Ensure the locker is large enough to accommodate your entire rode and allows it to fall freely without piling up directly under the hawse pipe, which can cause jams. A narrow and tall locker is often preferred.
- Deck Space: Horizontal windlasses have a larger footprint on deck compared to vertical windlasses, where the motor and gearbox are typically located below deck.
5. Choose Between Horizontal and Vertical Windlasses:
- Vertical Windlasses:
- Pros: Smaller deck footprint, often considered more aesthetically pleasing, better chain control (180-degree wrap on the gypsy).
- Cons: Requires sufficient depth in the anchor locker for the motor and rode fall, more complex installation as the motor is below deck.
- Horizontal Windlasses:
- Pros: Easier installation (only requires holes for wiring and mounting bolts), suitable for boats with shallow anchor lockers.
- Cons: Larger deck footprint, chain only engages a smaller portion of the gypsy (around 90 degrees), potentially less secure chain control.
- You can increase the chain wrap by installing a roller that will force more the chain to interact with a gypsy.
6. Consider the Type of Rode:
- Chain Only: Requires a windlass with a gypsy (chain wheel) that matches your chain size and type (e.g., BBB, G4, HT).
- Rope/Chain Combination: Requires a windlass with a gypsy designed to handle both chain and rope of specific sizes and types. The rope must be properly spliced to the chain, usually back splice is the best rope to chain splice for use in a windlass
7. Look at Working Load vs. Maximum Pull:
- Maximum Pull: The peak force the windlass can exert for a short period, useful for breaking the anchor free.
- Working Load: The load the windlass is designed to handle continuously during retrieval. Ensure the working load is sufficient for the weight of your anchor and rode once it’s off the bottom.
In summary, to size a boat windlass:
- Calculate the total weight of your anchor and rode.
- Multiply that weight by a factor of 4 for cruising and 3 for day use to get the minimum maximum pulling power.
- Consider your boat’s size, displacement, windage, and typical anchoring conditions – opt for a larger size if needed.
- Ensure your anchor locker has adequate fall for the chosen windlass type.
- Select a windlass (horizontal or vertical) that suits your deck layout and anchor locker.
- Verify the gypsy is compatible with your chain size and type (or rope/chain combination).
Windlass Operation:
Understanding Your Muir Windlass
Muir has been crafting robust and reliable windlasses for decades. To best understand yours, let’s consider some key aspects:
1. Model Identification:
- Where to look: Check the windlass body itself. There’s often a plate or stamping with the model name or number.
- Why it’s important: Knowing your model is crucial for finding the correct manuals, spare parts, and troubleshooting guides.
2. Key Components:
- Motor: The electric (or hydraulic) heart of the system, providing the power to raise and lower the anchor.
- Gearbox: Reduces the motor’s high speed to a usable, high-torque output for the chain gypsy and/or rope drum.
- Chain Gypsy (Wildcat): A specifically shaped wheel designed to grip and move the anchor chain links. Ensure the gypsy matches your chain size and type.
- Warping Drum (Capstan): A smooth, cylindrical drum used for handling ropes for anchoring, mooring, or other tasks.
- Clutch: Allows you to disengage the gypsy and/or drum from the motor and gearbox for free fall or manual operation.
- Brake: A mechanism to hold the anchor chain securely in place when the windlass is not powered.
- Stripper/Chain Guide: Helps to guide the chain smoothly into and out of the gypsy and into the chain locker.
- Foot Switches/Remote Control: The primary controls for operating the windlass.
3. Chain and Rode Compatibility:
- Chain Size and Type: Your windlass’s gypsy is designed for a specific chain size (e.g. metric: 6mm, 8mm, 10mm, 13mm) or imperial: ¼”, 5/16”, 3/8”, ½” and type (e.g., BBB, Grade 40 HT, DIN66, ISO 4565). Using the wrong chain can lead to slippage and damage.
- Rope Size: If your windlass has a warping drum, ensure the rope diameter is appropriate for the drum’s design to prevent slippage.
Usually for a given chain size the recommended rope sizing is as follows:
| Chain Size | Line Size |
| ¼” (6mm-7mm) | 1/2 “ (12mm) |
| 5/16” (8mm) | 9/16” (14 mm) |
| 3/8” (10mm) | 5/8” (16mm) |
| ½” (12-13mm) | 3/4 “ (20mm) |
Operating Your Muir Windlass Safely and Effectively
Pre-Operation Checks:
- Battery Voltage: Ensure your boat’s batteries have sufficient charge. Windlasses draw significant current.
- Circuit Breaker: Verify the windlass circuit breaker is in the “on” position.
- Clutch Engagement: Ensure the clutch is properly engaged for the function you intend (raising or lowering).
- Clearance: Make sure the anchor chain and rode are free of any obstructions.
- Crew Awareness: Inform your crew that you will be operating the windlass.
Deploying the Anchor:
- Controlled Lowering: Never allow the anchor to free-fall uncontrolled unless specifically designed for your windlass model and situation. Controlled lowering reduces stress on the windlass and ensures proper anchor setting. Use short bursts of power to lower the anchor.
- Snubber/Chain Hook: Once the anchor is set and holding, always use a snubber or chain hook to take the load off the windlass. The windlass is designed for raising and lowering, not for continuous mooring loads.
Retrieving the Anchor:
- Engine Assistance: Whenever possible, motor slowly towards your anchor as you retrieve the chain. This reduces the load on the windlass.
- Chain Washing: If your boat has a chain wash system, use it to remove mud and debris as the chain is retrieved.
- Listen for Strain: Pay attention to the sound of the windlass. Excessive strain could indicate the anchor is fouled or stuck. Stop and investigate if necessary.
- Stowing the Anchor: Ensure the anchor is securely stowed in its hawsepipe or roller before underway.
Using the Warping Drum/Capstan:
- Proper Turns: Use the correct number of wraps (typically 3-5) around the drum for sufficient grip.
- Lead the Rope: Ensure the rope leads cleanly onto the drum without kinking or chafing.
- Controlled Tension: Apply steady, controlled tension to the rope. Avoid sudden jerks.
Emergency Procedures:
- Manual Override: Familiarize yourself with the manual override procedure for your windlass model in case of power failure. This usually involves using a specific handle or wrench to manually crank the chain.
- Free Fall Release: Understand how to safely release the chain in a free fall situation if your windlass is equipped with this feature.
Maintaining Your Muir Windlass for Longevity
Regular maintenance is key to ensuring your Muir windlass operates reliably for years to come.
Daily/Regular Checks:
- Visual Inspection: Look for any signs of corrosion, damage, or loose fasteners.
- Chain Condition: Inspect your anchor chain for rust, wear, or bent links. Replace worn chain as needed.
- Rope Condition: Check your anchor rode for fraying or damage.
Periodic Maintenance (as per your Muir manual):
- Lubrication: Regularly lubricate the gypsy, warping drum shaft, clutch mechanisms, and other moving parts with the recommended lubricant.
- Gearbox Oil: Check and change the gearbox oil according to the manufacturer’s recommendations.
- Electrical Connections: Inspect and clean electrical terminals to prevent corrosion. Ensure connections are tight.
- Motor Brushes: If your windlass has a DC motor, periodically inspect the brushes for wear and replace them as needed.
- Anodes: If your windlass has sacrificial anodes, check them regularly and replace them when they are significantly depleted.
- Cleaning: Wash down the windlass with fresh water after each use, especially after exposure to saltwater.
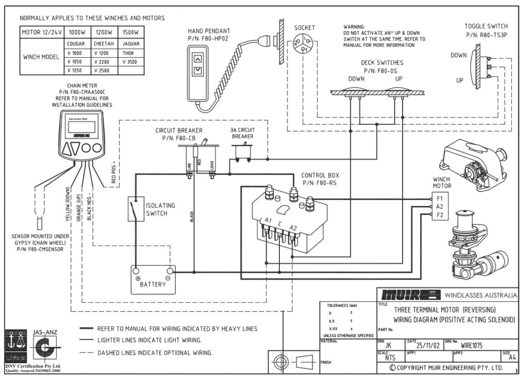
Installation:
Wire Size and Circuit Breaker Recommendations:
| Motor | Voltage | Cicuit Breaker Size Rec | Wire Size TBC (AWG – Copper) Wire Run 40 feet <3% Voltage Drop | Wire Size TBC (AWG – Copper) Wire Run 20 feet < 3% Voltage Drop |
|---|---|---|---|---|
| 400 W | 12 | 50 Amp | 4 | 6 |
| 600 W | 12 | 60 Amp | 2 | 4 |
| 1000 W | 12 | 100 Amp | 1 | 3 |
| 1200 W | 12 | 150 Amp | 0 (2/0) | 2 |
| 1500 W | 12 | 150 Amp | 0 (3/0) | 1 |
| 1700 W | 12 | 150 Amp | 0 (4/0) | 0 (1/0) |
| 400 W | 24 | 35 Amp | 10 | 12 |
| 600 W | 24 | 60 Amp | 8 | 10 |
| 1000 W | 24 | 100 Amp | 6 | 8 |
| 1200 W | 24 | 70 Amp | 4 | 8 |
| 1500 W | 24 | 80 Amp | 4 | 6 |
| 1700 W | 24 | 100 Amp | 3 | 6 |
| 2000 W | 24 | 120 Amp | 3 | 4 |
Troubleshooting Common Issues:
- Windlass Not Turning:
- Check battery voltage and circuit breaker.
- Inspect electrical connections for corrosion or looseness.
- Listen for motor hum (may indicate a stuck motor or overload).
- Chain Slippage:
- Ensure the clutch is fully engaged.
- Verify the chain size and type match the gypsy.
- Clean the gypsy of any debris or corrosion.
- Inspect the gypsy for wear.
- Slow Operation:
- Check battery voltage (may be low).
- Ensure the chain is running freely into the chain locker.
- The windlass may be under excessive load (e.g., trying to lift a fouled anchor without engine assistance).
By understanding your Muir windlass, operating it correctly, and performing regular maintenance, you can ensure it serves you reliably for countless voyages. Fair winds and following seas!
